• 搜索
 产品列表
销售热线
  • 上海:021-68568185  68567085
  • 南京:025-68663685  15365123925
  • 苏州:0512-82190026  15862567026
  • 芜湖:0553-3120656  18955356145

松下玻璃夹系列-松下门控五金

Panasonic Glass Hinge Series

松下玻璃夹系列
时尚优雅  坚固耐用


材质

主要五金件全部采用304不锈钢或59铜制造

设计

以优雅、时尚、简洁、大气为设计原则,
满足大部分商业用户所需,品质卓越。

工艺

融合传统加工与现代数控精加工工艺,
为用户提供更美观、更安全、更环保的产品。

安装

追求简洁、牢固、耐用,免维护、少维修,
最大限度减少用户在安装和使用过程中的麻烦。

 

玻璃夹,松下玻璃夹上海总代理-021-68568185-松下玻璃夹指定经销商
松下玻璃夹 BLJA-001
 
松下玻璃夹 BLJA-001

功能及特性

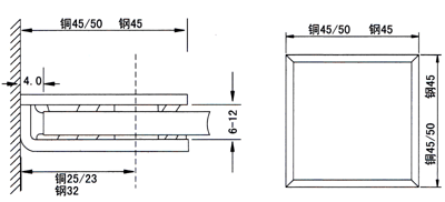
适用玻璃厚度:6~12mm

技术参数

角度:900
两只玻璃铰最大承重:45kg

标准配置

玻璃铰:1套、PVC垫片:1套
SUS304不锈钢螺钉:1套

材质/表面处理

不锈钢抛光*玻璃夹,松下玻璃夹上海总代理-021-68568185-松下玻璃夹指定经销商 铜光铬*玻璃夹,松下玻璃夹上海总代理-021-68568185-松下玻璃夹指定经销商

松下玻璃夹

玻璃夹,松下玻璃夹上海总代理-021-68568185-松下玻璃夹指定经销商
松下玻璃夹 BLJA-002
 
松下玻璃夹 BLJA-002

功能及特性

适用玻璃厚度:6~12mm

技术参数

角度:900
两只玻璃铰最大承重:45kg

标准配置

玻璃铰:1套、PVC垫片:1套
SUS304不锈钢螺钉:1套

材质/表面处理

不锈钢抛光*玻璃夹,松下玻璃夹上海总代理-021-68568185-松下玻璃夹指定经销商 铜光铬*玻璃夹,松下玻璃夹上海总代理-021-68568185-松下玻璃夹指定经销商

松下玻璃夹

玻璃夹,松下玻璃夹上海总代理-021-68568185-松下玻璃夹指定经销商
松下玻璃夹 BLJA-003
 
松下玻璃夹 BLJA-003

功能及特性

适用玻璃厚度:6~12mm

技术参数

角度:900
两只玻璃铰最大承重:45kg

标准配置

玻璃铰:1套、PVC垫片:1套
SUS304不锈钢螺钉:1套

材质/表面处理

不锈钢抛光*玻璃夹,松下玻璃夹上海总代理-021-68568185-松下玻璃夹指定经销商 铜光铬*玻璃夹,松下玻璃夹上海总代理-021-68568185-松下玻璃夹指定经销商

松下玻璃夹

玻璃夹,松下玻璃夹上海总代理-021-68568185-松下玻璃夹指定经销商
松下玻璃夹 BLJA-004
 
松下玻璃夹 BLJA-004

功能及特性

适用玻璃厚度:6~12mm

技术参数

角度:1350
两只玻璃铰最大承重:45kg

标准配置

玻璃铰:1套、PVC垫片:1套
SUS304不锈钢螺钉:1套

材质/表面处理

不锈钢抛光*玻璃夹,松下玻璃夹上海总代理-021-68568185-松下玻璃夹指定经销商 铜光铬*玻璃夹,松下玻璃夹上海总代理-021-68568185-松下玻璃夹指定经销商

松下玻璃夹

玻璃夹,松下玻璃夹上海总代理-021-68568185-松下玻璃夹指定经销商
松下玻璃夹 BLJA-005
 
松下玻璃夹 BLJA-005

功能及特性

适用玻璃厚度:6~12mm

技术参数

角度:1800
两只玻璃铰最大承重:45kg

标准配置

玻璃铰:1套、PVC垫片:1套
SUS304不锈钢螺钉:1套

材质/表面处理

不锈钢抛光*玻璃夹,松下玻璃夹上海总代理-021-68568185-松下玻璃夹指定经销商 铜光铬*玻璃夹,松下玻璃夹上海总代理-021-68568185-松下玻璃夹指定经销商

松下玻璃夹

玻璃夹,松下玻璃夹上海总代理-021-68568185-松下玻璃夹指定经销商
松下玻璃夹 BLJA-006
 
松下玻璃夹 BLJA-006

功能及特性

适用玻璃厚度:6~12mm

技术参数

角度:1800
两只玻璃铰最大承重:45kg

标准配置

玻璃铰:1套、PVC垫片:1套
SUS304不锈钢螺钉:1套

材质/表面处理

不锈钢抛光*玻璃夹,松下玻璃夹上海总代理-021-68568185-松下玻璃夹指定经销商 铜光铬*玻璃夹,松下玻璃夹上海总代理-021-68568185-松下玻璃夹指定经销商

松下玻璃夹

玻璃夹,松下玻璃夹上海总代理-021-68568185-松下玻璃夹指定经销商
 

玻璃夹安装说明

  1. 松下玻璃夹

  2. 松下玻璃夹

  3. 安装说明

    1. 首先定好玻璃夹安装位置,并在玻璃表面做好切割标记。
    2. 根据玻璃夹的规格,对玻璃进行切割(按玻璃切割图所示)。
    3. 在玻璃夹固定方和活面板依次垫上PVC垫片数量直至夹紧玻璃。
    4. 对所有要安装的螺丝进行紧因。

 

安装标准

  1. 玻璃材质:必须使用钢化玻璃。
  2. 玻璃适用厚度:6mm~12mm。

 

 

  上海松下自动门控专卖店 -维修技术服务中心 至泰版权所有 © 2005 ZITIN CORPORATION.  相关链接: 松下自动门专卖店 松下自动门,闭门器,地弹簧,旋转门 Panasonic松下自动门维修上海服务中心 松下电子锁,智能门锁,松下门锁 松下门禁读卡器,门禁控制器,门禁系统 松下自动门H3,松下自动门新品上市 上海松下自动门,上海松下门禁   专卖店风采 技术服务中心 付款信息 │ 联系我们
相关链结:上海松下自动门 Panasonic 松下自动门 门禁,门禁系统,指纹门禁,进口门禁,国际品牌门禁网 芜湖自动门闭门器地弹簧 北京松下电工有限公司,门控官网 安徽芜湖旋转门,自动门,门禁,闭门器,地弹簧 松下自动门,松下感应器,感应自动门,电动自动门,电子自动门,Panasonic自动门 旋转门,松下旋转门,感应旋转门 安徽,松下,自动门,闭门器,地弹簧 常熟,松下,自动门,闭门器,地弹簧 黄山,松下,自动门,闭门器,地弹簧 昆山,松下,自动门,闭门器,地弹簧 南京,松下,自动门,闭门器,地弹簧 太仓,松下,自动门,闭门器,地弹簧 苏州,松下,自动门,闭门器,地弹簧 郑州松下自动门,感应门,旋转门 武汉松下自动门,感应门,旋转门 济南松下自动门,感应门,旋转门,上海至泰设计安装维修专卖店官网 杭州松下自动门,感应门,旋转门 合肥松下自动门,感应门,旋转门 南京松下自动门,感应门,旋转门 北京松下自动门,感应门,旋转门 广州松下自动门,感应门,旋转门 深圳松下自动门,感应门,旋转门,上海至泰设计安装维修专卖店官网 无锡松下自动门,感应门,旋转门 香港松下自动门,感应门,旋转门 Hong Kong panasonic automatic doors, induction door, revolving door 澳门松下自动门,感应门,旋转门 Macao panasonic automatic doors, induction door, revolving door 台湾松下自动门,感应门,旋转门 Taiwan panasonic automatic doors, induction door, revolving door 台北松下自动门,感应门,旋转门 Taipei panasonic automatic doors, induction door, revolving door 上海旋转门至泰自动门厂家 Shanghai automatic revolving door manufacturers 上海至泰旋转门厂家 上海旋转门,自动门厂家 上海旋转门至泰自动门 上海旋转门自动门工程 旋转门上海自动门 旋转门苏州自动门工程 苏州旋转门自动门厂家 苏州旋转门厂家 苏州旋转门安装 上海至泰旋转门厂家 旋转门上海至泰自动门工程 上海旋转门工程自动门安装 上海旋转门工程至泰自动门维修 旋转门上海自动门工程安装 旋转门上海自动门维修设计 上海旋转门厂家 上海旋转门设计安装维修保养售后 上海松下自动门维修感应门,至泰门禁系统安装售后服务解决方案遍及上海黄浦区自动门,卢湾区,徐汇区,长宁区,静安区,普陀区,闸北区,虹口区,杨浦区,闵行区,宝山区,嘉定区,浦东新区,金山区,松江区,青浦区,南汇区,奉贤区,崇明县;做为专业的上海松下自动门维修感应门安装公司、工厂、厂家及代理商,我们有松下自动门,感应门,旋转门,医用门,地弹簧,闭门器,开门机门禁等。 安徽旋转门,自动门,感应门 北京旋转门,自动门,感应门 长春旋转门,自动门,感应门 成都旋转门,自动门,感应门 重庆旋转门,自动门,感应门 长沙旋转门,自动门,感应门 大连旋转门,自动门,感应门 大同旋转门,自动门,感应门 福建旋转门,自动门,感应门 福州旋转门,自动门,感应门 广东旋转门,自动门,感应门 甘肃旋转门,自动门,感应门 广西旋转门,自动门,感应门 贵阳旋转门,自动门,感应门 广州旋转门,自动门,感应门 贵州旋转门,自动门,感应门 海南旋转门,自动门,感应门 湖北旋转门,自动门,感应门 河北旋转门,自动门,感应门 哈尔滨旋转门,自动门,感应门 合肥旋转门,自动门,感应门 呼和浩特旋转门,自动门,感应门 海口旋转门,自动门,感应门 黑龙江旋转门,自动门,感应门 河南旋转门,自动门,感应门 湖南旋转门,自动门,感应门 杭州旋转门,自动门,感应门 吉林旋转门,自动门,感应门 济南旋转门,自动门,感应门 江苏旋转门,自动门,感应门 江西旋转门,自动门,感应门 昆明旋转门,自动门,感应门 辽宁旋转门,自动门,感应门 拉萨旋转门,自动门,感应门 兰州旋转门,自动门,感应门 南昌旋转门,自动门,感应门 南京旋转门,自动门,感应门 内蒙古旋转门,自动门,感应门 南宁旋转门,自动门,感应门 宁夏旋转门,自动门,感应门 莆田旋转门,自动门,感应门 青海旋转门,自动门,感应门 三亚旋转门,自动门,感应门 四川旋转门,自动门,感应门 山东旋转门,自动门,感应门 石家庄旋转门,自动门,感应门 山西旋转门,自动门,感应门 陕西旋转门,自动门,感应门 沈阳旋转门,自动门,感应门 深圳旋转门,自动门,感应门 天津旋转门,自动门,感应门 武汉旋转门,自动门,感应门 乌鲁木齐旋转门,自动门,感应门 芜湖旋转门,自动门,感应门 西安旋转门,自动门,感应门 新疆旋转门,自动门,感应门 西宁旋转门,自动门,感应门 西藏旋转门,自动门,感应门 银川旋转门,自动门,感应门 云南旋转门,自动门,感应门 浙江旋转门,自动门,感应门 郑州旋转门,自动门,感应门 台灣:台北市、新北市、桃園市、台中市、台南市、高雄市、新竹縣、苗栗縣、彰化縣、南投縣、雲林縣、嘉義縣、屏東縣、宜蘭縣、花蓮縣、台東縣、澎湖縣、金門縣、連江縣、基隆市、新竹市、嘉義市 香港中西區、東區、南區、灣仔區、九龍城區、觀塘區、深水埗區、黃大仙區、油尖旺區、離島區、葵青區、北區、西貢區、沙田區、大埔區、荃灣區、屯門區、元朗區 澳門半島、花地瑪堂區、聖安多尼堂區、大堂區、望德堂區、風順堂區、離島、氹仔、嘉模堂區、路環、聖方濟各堂區、路氹城 台灣:自动门,感应门,旋转门,医用门 香港自动门,感应门,旋转门,医用门 澳門自动门,感应门,旋转门,医用门 台北自动门,感应门,旋转门,医用门 台湾,香港,澳门,北京,上海,广州,深圳,成都,杭州,重庆,武汉,南京,天津,西安,苏州,无锡,宁波,合肥,青岛,长沙,东莞,郑州,佛山,济南,昆明,沈阳,大连,厦门,福州,珠海,泉州,莆田自动门设计安装维修保养